Cerradura para puerta de armario industrialEs el componente protector clave del gabinete de distribución, gabinete de comunicación, caja de control y otros equipos, que está directamente relacionado con la seguridad de los componentes eléctricos internos y el funcionamiento estable del sistema.
Para cumplir con los diversos requisitos de tiempo de entrega y especificaciones para diferentes proyectos, nuestra empresa siempre tiene cinco tipos de cerraduras de uso común en stock:Cerradura de barra larga, Bloqueo del panel, Bloqueo de control de varilla, Bloqueo de manija,Bloqueo de lengüeta giratorio. Al mismo tiempo, admitimos cualquier cerradura no estándar personalizada según planos o muestras, que sea perfectamente adecuada para todo tipo de cajas de distribución metálicas.
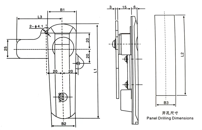
La cerradura plana es uno de los tipos más comunes de cerraduras para puertas de gabinetes industriales, hermosa y fácil de mantener. Nuestra empresa lanzó la cerradura plana de las series AB301, AB302, AB303, AB402, AB403, que en cuanto a resistencia estructural, rendimiento de protección y sensación de funcionamiento del diseño diferenciado, puede cumplir con las diferentes especificaciones de la caja de distribución y los requisitos de instalación del gabinete de control.
| Dimensiones | Número de producto | |||||||
| L1 | L2 | L3 | B1 | B2 | Cromado gris | pintura en aerosol gris | Recubrimiento en polvo negro | Peso (gramos) |
| 147 | 117 | 72 | 33 | 26.5 | AB301-1-1.2 | AB301-1-1.8 | AB301 | 370 |
| 120.5 | 95.5 | 65 | 30 | 23.5 | AB301-2-1.2 | AB301-2-1.8 | AB302 | 290 |
| 87.5 | 62.5 | 65 | 28.5 | 23.5 | AB301-3-1.2 | AB301-3-1.8 | AB303 | 215 |
Material principal: aleación de zinc.
Tratamiento superficial: cromo brillante, mate, negro.
Función y uso: Realice la apertura de puertas izquierda y derecha, fácil de usar, con función de sellado e impermeabilidad.
Material principal: aleación de zinc.
Tratamiento superficial: cromo brillante, mate, negro.
Función y uso: Realice la apertura de puertas izquierda y derecha, fácil de usar, con función de sellado e impermeabilidad.
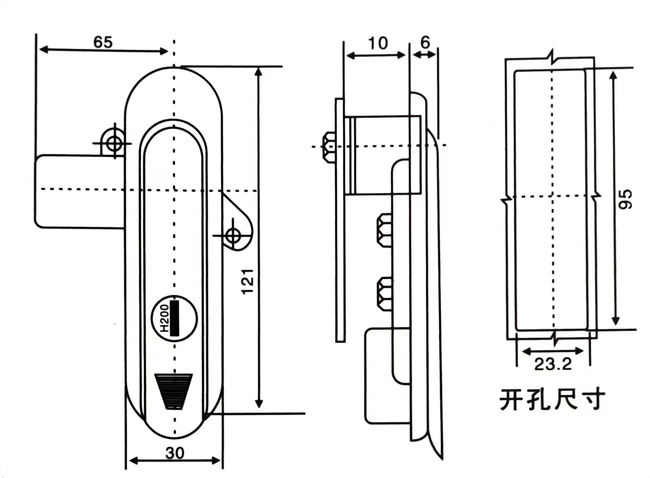
Material: cuerpo de cerradura de aleación de zinc, eje giratorio, perno de acero galvanizado, placa de presión.
Tratamiento superficial: nano spray gris plateado.
Descripción de la estructura: Gire 90 grados para abrir o bloquear.
| MODELO | L1 | L2 | L3 | B1 | B2 | B3 |
| NUEVO AB402-A | 123 | 95.5 | 65 | 36.5 | 30 | 23.5 |
| NUEVO AB403-A | 91 | 62.5 | 65 | 33 | 28.5 | 23.5 |
| NUEVO AB401-A | 151 | 117 | 72 | 36 | 30 | 26.5 |
